Control Sys Architecture

Control Sys Architecture

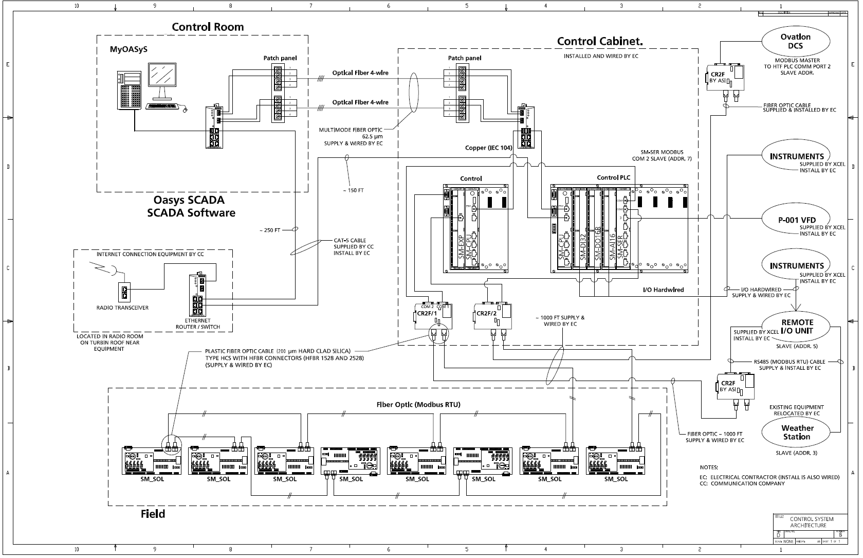
Experienced with Advanced Control System Architecture Design

Date

24 July 2016

Categories

Electrical, Detailing, Space, Communications