Detailed Eject System

Mechanical, Detailing

Control Panel

Detailing, Mechanical, Space

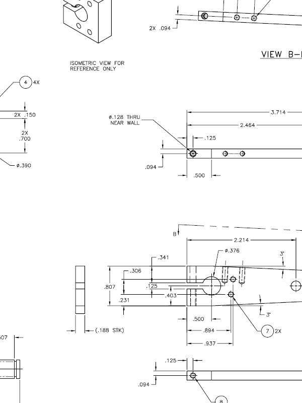
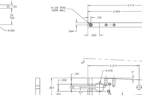
Detailed Part 1

Detailing, Mechanical, Space

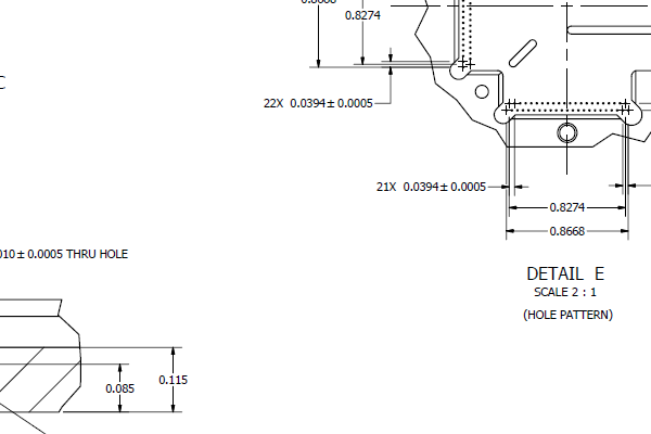
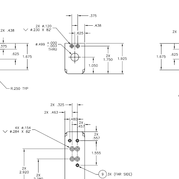
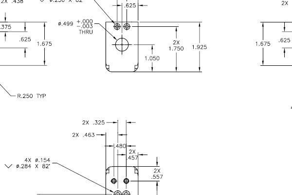
Detailed Part 3

Detailing, Mechanical, Space

Diode Design

Electrical, Detailing, 3D Models, Space, Industry, Communications, Renewable Energy

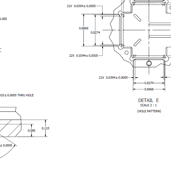
Test Socket Detailing

Electrical, Detailing, Space, Industry, Communications, Test Sockets

Fence Details

Detailing, Building